Нерж. сталь Заклепка резьбовая, цилиндрический бортик
Свойства
- – Коррозионная устойчивость соединения
- – Возможна установка на готовое изделие
- – Материал: нержавеющая сталь А2
Применение
Крепление на мачтах освещения, корпуса стоек газовой плиты, мебели на хим производстве, судовой мебели.
Нагрузки
| Диаметр резьбы D, мм | Монтаж, кН | Разрыв, кН | Прокручивание, Нм |
|---|---|---|---|
| М4 | 4,90 | 10,00 | 3,10 |
| М5 | 6,00 | 15,80 | 6,90 |
| М6 | 9,00 | 21,60 | 10,00 |
| М8 | 12,35 | 36,30 | 19,30 |
| M10 | 13,00 | 43,30 | 60,00 |
Установка
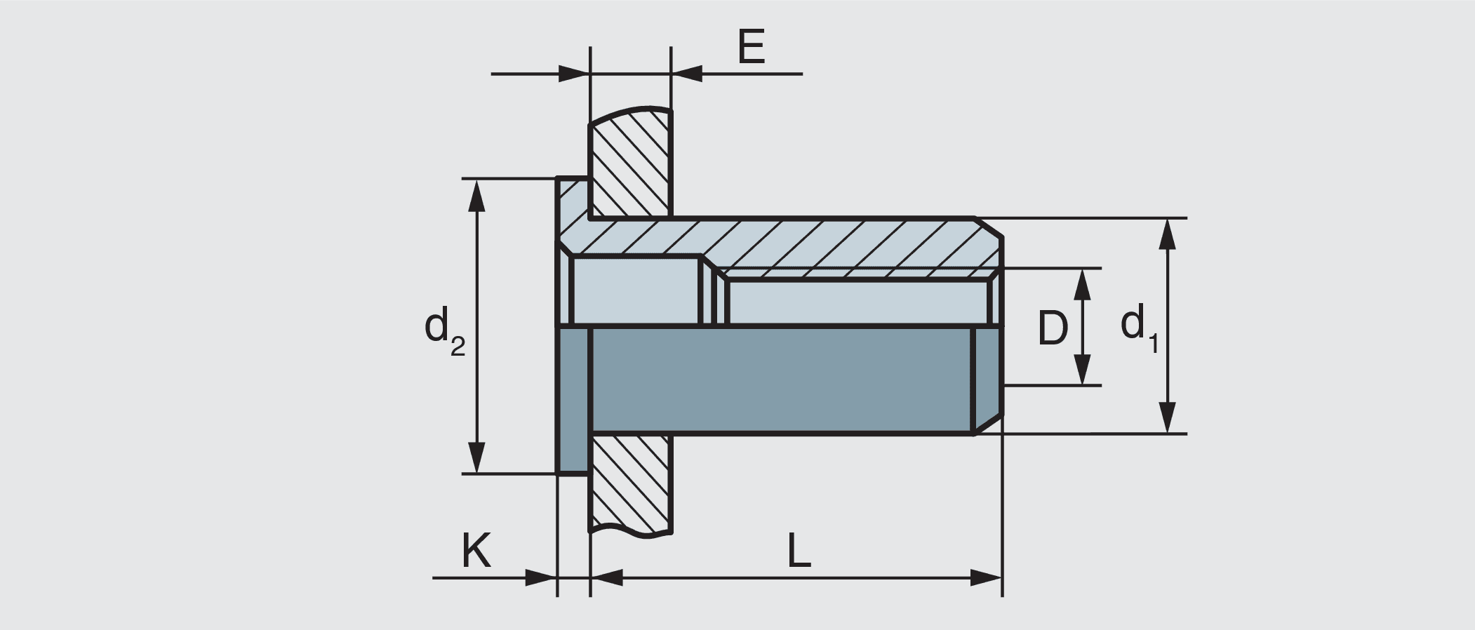
Технические данные
| Артикул | Диаметр резьбы и гильзы D / d1, мм | Длина гильзы L, мм | Диаметр сверления H14, мм | Диаметр и толщина бортика d2 × K, мм | Толщина пакета материалов E, мм | Кол-во в упаковке, шт | Заказ |
|---|---|---|---|---|---|---|---|
| 0303104006H | М4/5,9 | 9,5 | 6,1 | 9,0x1,0 | 0,5–2,0 | 500 | |
| 0303105007H | М5/6,9 | 12,0 | 7,1 | 10,0x1,0 | 0,5–3,0 | 500 | |
| 0303106009H | М6/8,9 | 14,5 | 9,1 | 13,0x1,5 | 0,5–3,0 | 250 | |
| 0303108011H | М8/10,9 | 16,5 | 11,1 | 15,0x1,5 | 0,5–3,0 | 250 | |
| 0303101013H | М10/12,9 | 19,5 | 13,1 | 18,5x2,0 | 1,0–3,5 | 150 |