Нерж. сталь Заклепка резьбовая, цилиндрический бортик, с насечкой, закрытая
Свойства
- – Коррозионная устойчивость соединения
- – Возможно устанавливать после окраски изделия
- – Установка резьбы на тонкий листовой материал
- – Герметично закрытое соединение
- – Материал: нержавеющая сталь А2
Применение
Внутренняя отделка автомобиля, регулировочные стойки, крепеж для дополнительного оборудования.
Нагрузки
| Диаметр резьбы D, мм | Монтаж, кН | Разрыв, кН | Прокручивание, Нм | Затяжка болта, Нм |
|---|---|---|---|---|
| М4 | 1,50 | 6,80 | 5,00 | 4,00 |
| М5 | 2,00 | 11,50 | 8,50 | 7,50 |
| М6 | 3,00 | 16,50 | 15,00 | 14,00 |
| М8 | 4,40 | 25,00 | 26,00 | 25,00 |
Установка
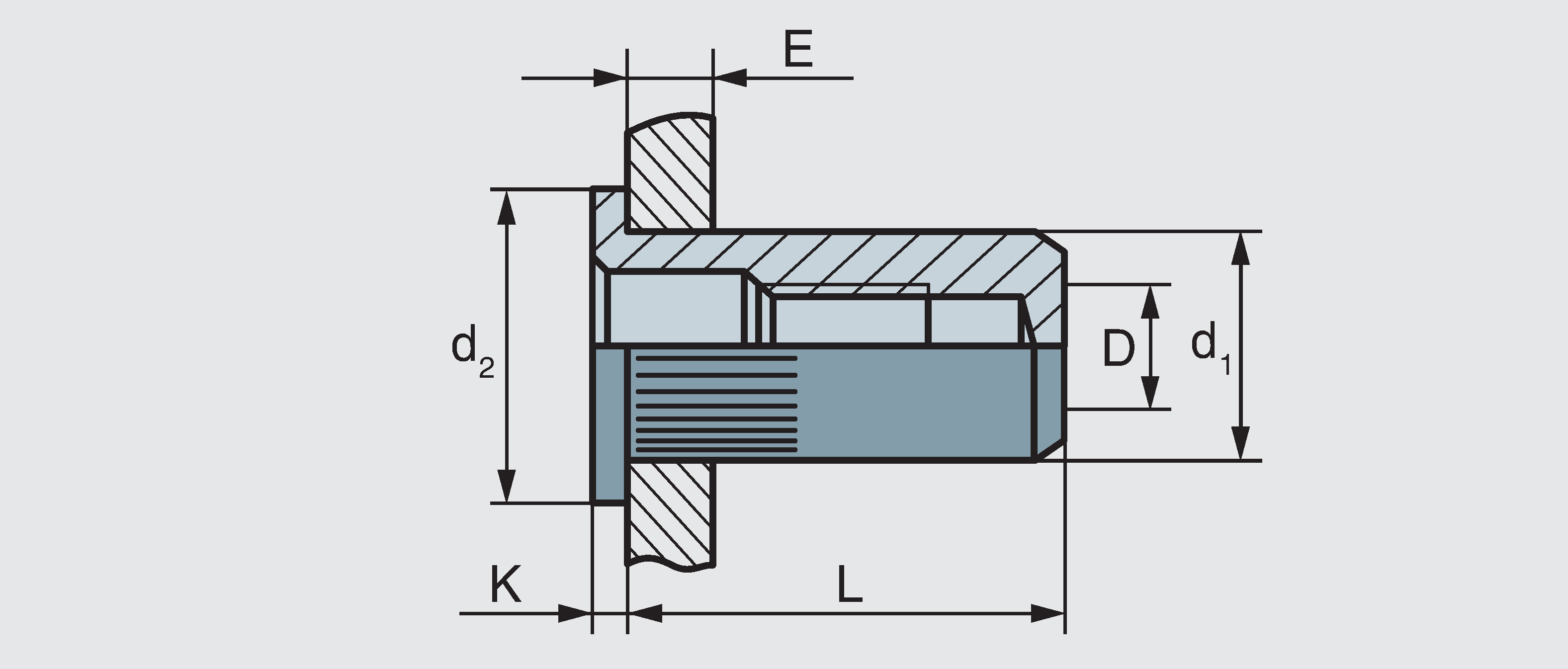
Технические данные
| Артикул | Диаметр резьбы и гильзы D / d1, мм | Длина гильзы L, мм | Диаметр сверления H14, мм | Диаметр и толщина бортика d2 × K, мм | Толщина пакета материалов E, мм | Кол-во в упаковке, шт | Заказ |
|---|---|---|---|---|---|---|---|
| 0373404006H | M4 / 5,9 | 15,7 | 6,1 | 9,0 х 0,8 | 0,5–2,0 | 1000 | |
| 0373405007H | М5 / 6,9 | 16,8 | 7,1 | 10,0 х 1,0 | 0,5–3,0 | 1000 | |
| 0373406009H | М6 / 8,9 | 19,5 | 9,1 | 12,0 х 1,3 | 0,5–3,5 | 500 | |
| 0373408011H | М8 / 10,9 | 21,5 | 11,1 | 15,0 х 1,5 | 0,5–3,5 | 250 |