Сталь Заклепка резьбовая, потайной бортик, с насечкой
Свойства
- – Увеличенное сопротивление прокручиванию в сравнении с гладкой гильзой
- – Скрытое крепление
- – Материал: сталь оцинкованная
Применение
Крепление облицовочных панелей вентиляционного оборудования, системы регулировки и опор.
Нагрузки
| Диаметр резьбы D, мм | Монтаж, кН | Разрыв, кН | Прокручивание, Нм | Затяжка болта, Нм |
|---|---|---|---|---|
| М3 | 2,40 | 4,10 | 2,20 | 2,00 |
| М4 | 3,90 | 7,90 | 3,30 | 5,50 |
| М5 | 5,80 | 9,80 | 6,50 | 8,00 |
| М6 | 7,10 | 19,60 | 20,00 | 9,00 |
| М8 | 8,35 | 29,80 | 23,00 | 20,00 |
| М10 | 11,00 | 43,30 | 60,00 | 40,00 |
| М12 | 17,50 | 58,90 | 55,00 | 65,00 |
Установка
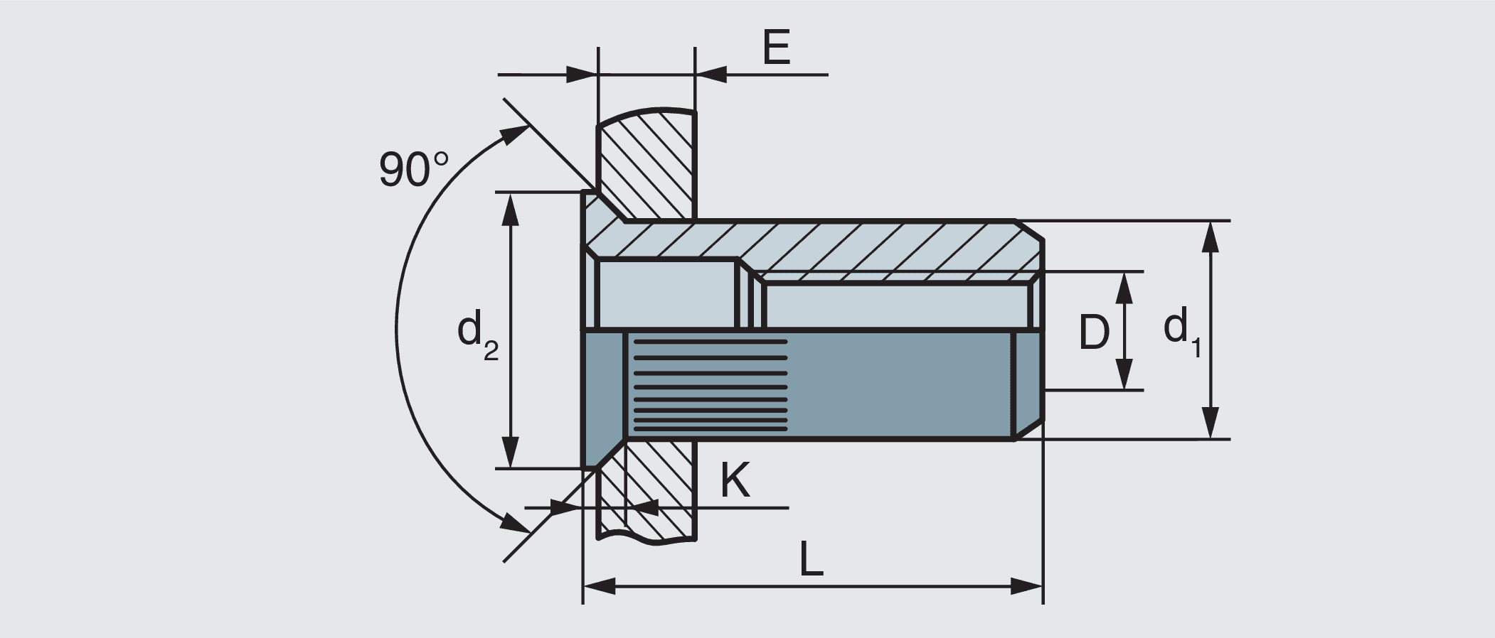
Технические данные
| Артикул | Диаметр резьбы и гильзы D / d1, мм | Длина гильзы L, мм | Диаметр сверления H14, мм | Диаметр и толщина бортика d2 × K, мм | Толщина пакета материалов E, мм | Кол-во в упаковке, шт | Заказ |
|---|---|---|---|---|---|---|---|
| 0371303005H | М3/4,9 | 8,5 | 5,1 | 7,5x1,0 | 0,1–1,5 | 1000 | |
| 0371304006H | М4/5,9 | 11,0 | 6,0 | 8,1x1,5 | 1,5–3,0 | 500 | |
| 0371314006H | М4/5,9 | 13,0 | 6,0 | 8,1x1,5 | 3,5–5,5 | 500 | |
| 0371305007H | М5/6,9 | 13,0 | 7,0 | 9,7x1,5 | 1,5–4,0 | 500 | |
| 0371315007H | М5/6,9 | 15,0 | 7,0 | 9,7x1,5 | 4,0–6,0 | 500 | |
| 0371385007H | М5/6,9 | 16,0 | 7,0 | 9,7x1,5 | 6,0–8,0 | 500 | |
| 0371306009H | М6/8,9 | 16,0 | 9,0 | 11,7x1,5 | 1,5–4,0 | 250 | |
| 0371316009H | М6/8,9 | 17,0 | 9,0 | 11,7x1,5 | 4,0–6,0 | 250 | |
| 0371308011H | М8/10,9 | 18,5 | 11,0 | 13,0x1,5 | 1,5–4,0 | 250 | |
| 0371318011H | М8/10,9 | 19,3 | 11,0 | 13,0x1,5 | 4,0–6,0 | 200 | |
| 0371388011H | М8/10,9 | 20,5 | 11,0 | 13,0x1,5 | 6,0–8,0 | 150 | |
| 0371301013H | М10/12,9 | 21,0 | 13,0 | 15,5x1,5 | 1,5–4,0 | 150 | |
| 0371311013H | М10/12,9 | 22,0 | 13,0 | 15,5x1,5 | 4,0–6,0 | 150 | |
| 0371381013H | М10/12,9 | 23,0 | 13,0 | 15,5x1,5 | 6,0–8,0 | 150 | |
| 0371301216H | М12/15,9 | 25,0 | 16,0 | 19,0x1,9 | 1,5–4,0 | 100 | |
| 0371311216H | М12/15,9 | 28,0 | 16,0 | 19,0x1,9 | 4,0–6,0 | 100 |