Сталь Заклепка резьбовая, цилиндрический бортик, распорная
Свойства
- – Высокая технологичность монтажа
- – Высокая скорость монтажа
- – Можно устанавливать на любой стадии производства
- – Установка на тонкий материал
- – Увеличенный цилиндрический бортик
- – Широкий диапазон толщины скрепляемых материалов
- – Увеличенная площадь расклепываемого бортика
- – Возможна установка на пластик и дерево
- – Материал: сталь оцинкованная
Применение
Крепление внутренней отделки метровагона, телескопической стойки, люстры уличного столба.
Нагрузки
| Диаметр резьбы D, мм | Монтаж, кН | Разрыв, кН | Прокручивание, Нм | Затяжка болта, Нм |
|---|---|---|---|---|
| М6 | 5,10 | 19,10 | 14,80 | 10,00 |
| М8 | 6,80 | 25,20 | 19,30 | 15,00 |
Установка
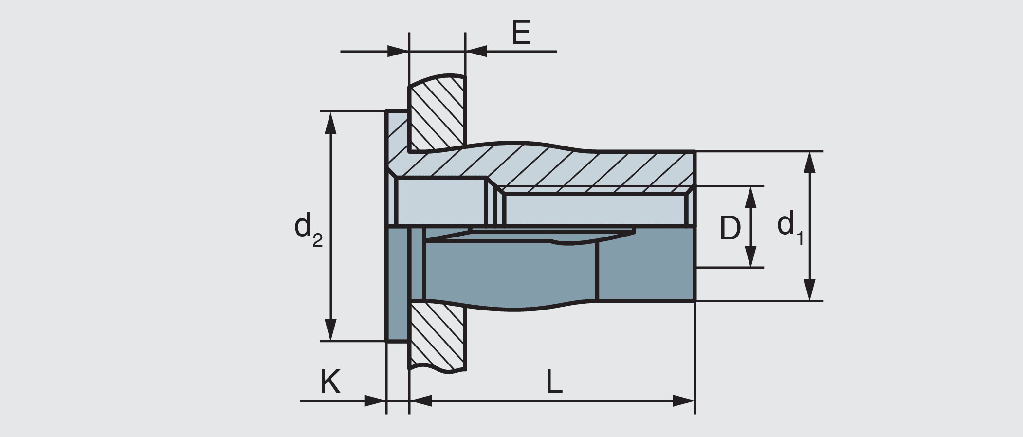
Технические данные
| Артикул | Диаметр резьбы и гильзы D / d1, мм | Длина гильзы L, мм | Диаметр сверления H14, мм | Диаметр и толщина бортика d2 × K, мм | Толщина пакета материалов E, мм | Кол-во в упаковке, шт | Заказ |
|---|---|---|---|---|---|---|---|
| 0301606009H | М6/8,7 | 27,0 | 8,8 | 16,0x1,5 | 0,5–7,0 | 200 | |
| 0301608011H | М8/11,0 | 30,6 | 11,1 | 19,0x1,6 | 1,0–7,0 | 200 |