Сталь Заклепка резьбовая, цилиндрический бортик, закрытая
Свойства
- – Высокая технологичность монтажа
- – Высокая скорость монтажа
- – Можно устанавливать на любой стадии производства
- – Установка на тонкий материал
- – Герметично закрытое соединение
- – Материал: сталь оцинкованная
Применение
Крепление облицовочных панелей вентиляционного оборудования, системы регулировки и опор.
Нагрузки
| Диаметр резьбы D, мм | Монтаж, кН | Разрыв, кН | Прокручивание, Нм | Затяжка болта, Нм |
|---|---|---|---|---|
| M4 | 1,50 | 6,80 | 5,00 | 4,00 |
| M5 | 2,00 | 11,50 | 8,50 | 7,50 |
| M6 | 3,00 | 16,50 | 15,00 | 14,00 |
| M8 | 4,40 | 25,00 | 26,00 | 25,00 |
Установка
Технические данные
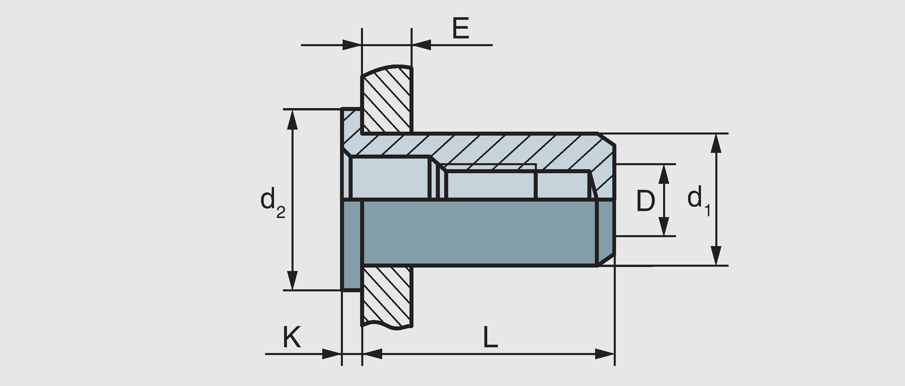
| Артикул | Диаметр резьбы и гильзы D / d1, мм | Длина гильзы L, мм | Диаметр сверления H14, мм | Диаметр и толщина бортика d2 × K, мм | Толщина пакета материалов E, мм | Кол-во в упаковке, шт | Заказ |
|---|---|---|---|---|---|---|---|
| 0301404006H | M4/5,9 | 15,2 | 6,1 | 9,0 х 0,8 | 0,5–2,0 | 1000 | |
| 0301405007H | М5/6,9 | 16,0 | 7,1 | 10,0 х 1,0 | 0,5–3,0 | 1000 | |
| 0301406009H | М6/8,9 | 17,9 | 9,1 | 12,0 х 1,3 | 0,5–3,5 | 500 | |
| 0301408011H | М8/10,9 | 20,0 | 11,1 | 15,0 х 1,5 | 0,5–3,5 | 250 |