Сталь Заклепка резьбовая, уменьшенный бортик, с насечкой
Свойства
- – Уменьшенный потайной бортик
- – Увеличенное сопротивление прокручиванию в сравнении с гладкой гильзой
- – Скрытое крепление
- – Не требует зенкованного отверстия
- – Материал: сталь оцинкованная
Применение
Крепление систем вентиляции, систем автомобильной безопасности, элементов металлической мебели.
Нагрузки
| Диаметр резьбы D, мм | Монтаж, кН | Разрыв, кН | Прокручивание, Нм | Затяжка болта, Нм |
|---|---|---|---|---|
| M3 | 2,40 | 4,10 | 2,20 | 2,00 |
| M4 | 3,80 | 7,90 | 2,90 | 5,50 |
| М5 | 5,70 | 11,30 | 6,00 | 8,00 |
| М6 | 6,40 | 20,60 | 10,10 | 9,00 |
| М8 | 8,30 | 29,80 | 15,00 | 20,00 |
| М10 | 10,90 | 43,30 | 60,00 | 40,00 |
| М12 | 14,60 | 47,70 | 161,50 | 65,00 |
Установка
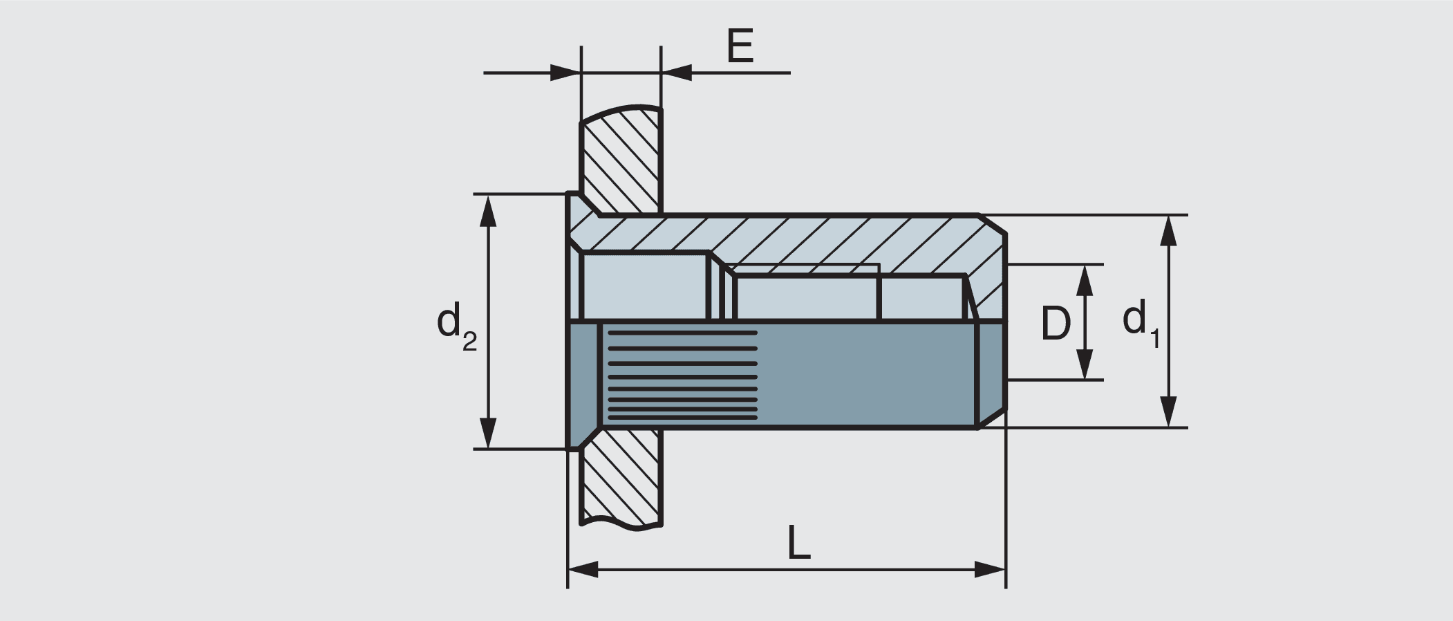
Технические данные
| Артикул | Диаметр резьбы и гильзы D / d1, мм | Длина гильзы L, мм | Диаметр сверления H14, мм | Диаметр и толщина бортика d2 × K, мм | Толщина пакета материалов E, мм | Кол-во в упаковке, шт | Заказ |
|---|---|---|---|---|---|---|---|
| 0371203005H | M3/4,9 | 8,5 | 5,1 | 5,2x0,2 | 0,1-1,5 | 1000 | |
| 0371204006H | M4/5,9 | 1,4 | 6,1 | 7,0x0,2 | 0,5-2,0 | 1000 | |
| 0371214006H | M4/5,9 | 13,5 | 6,1 | 7,0x0,2 | 2,0-4,0 | 500 | |
| 0371205007H | M5/6,9 | 11,5 | 7,1 | 8,0x0,2 | 0,5-3,0 | 1000 | |
| 0371215007H | M5/6,9 | 14,5 | 7,1 | 8,0x0,2 | 3,0-6,0 | 500 | |
| 0371206009H | M6/8,9 | 14,5 | 9,1 | 10,0x0,3 | 0,5-3,0 | 500 | |
| 0371216009H | M6/8,9 | 16,5 | 9,1 | 10,0x0,3 | 3,0-5,5 | 500 | |
| 0371208011H | M8/10,9 | 16,8 | 11,1 | 12,0x0,5 | 0,5-3,0 | 250 | |
| 0371218011H | M8/10,9 | 18,5 | 11,1 | 12,0x0,5 | 2,0-5,5 | 250 | |
| 0371201013H | M10/12,9 | 21,0 | 13,1 | 14,0x0,5 | 1,0-3,5 | 150 | |
| 0371211013H | M10/12,9 | 23,5 | 13,1 | 14,0x0,5 | 3,5-5,5 | 150 | |
| 0371201216H | M12/15,9 | 24,2 | 16,1 | 17,0x0,5 | 1,0-4,0 | 100 | |
| 0371211216H | M12/15,9 | 26,0 | 16,1 | 17,0x0,5 | 3,5-6,0 | 100 |